
A patent for a GFX lens with a short back focus was found that could give us a hint about Fujifilm’s future X100 style GFX camera. The patents are for GF35mm F3.5, GF40mm F3.5, and GF50mm F3.5 lenses. The X100 style GFX has been rumored for quite a while and I hope we see one sooner rather than later to take advantage of the crazy demand for X100 cameras.
overview
- [Publication number] JP2024-156550 (P2024-156550A)
- [Release date] November 6, 2024 (2024.11.6)
- [Title of invention] Imaging lens and imaging device
- [Application date] April 24, 2023 (2023.4.24)
- [Applicant]
[Identification number] 306037311
[Name or company name] FUJIFILM Corporation - An imaging lens that is small and maintains good optical performance, and an imaging device that includes this imaging lens are provided.
- 2. Description of the Related Art
Conventionally, an imaging lens that can be used in an imaging device such as a digital camera is known from the following Patent Document 1. - There is a demand for imaging lenses that are compact and have good optical performance, and
the level of these demands is increasing year by year. - An object of the present disclosure
is to provide an imaging lens that is small and maintains good optical performance, and an imaging device that includes this imaging lens.
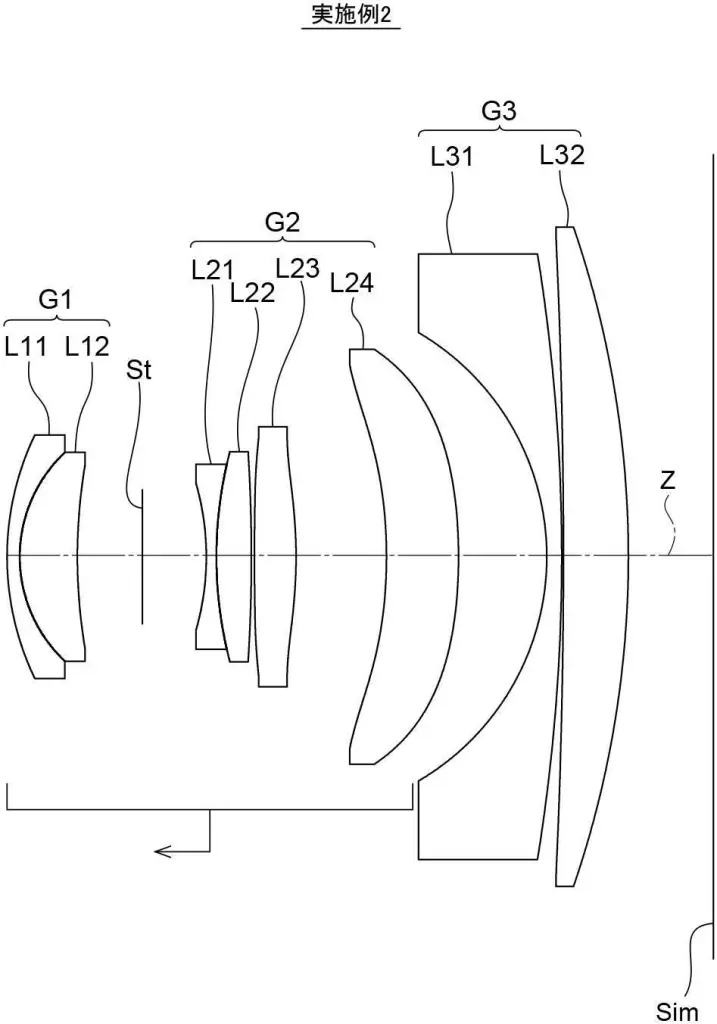
Example 1
- Focal length: 39.170
- F-number: 3.6
- Angle of view: 69.30
- Back focal length: 6.596
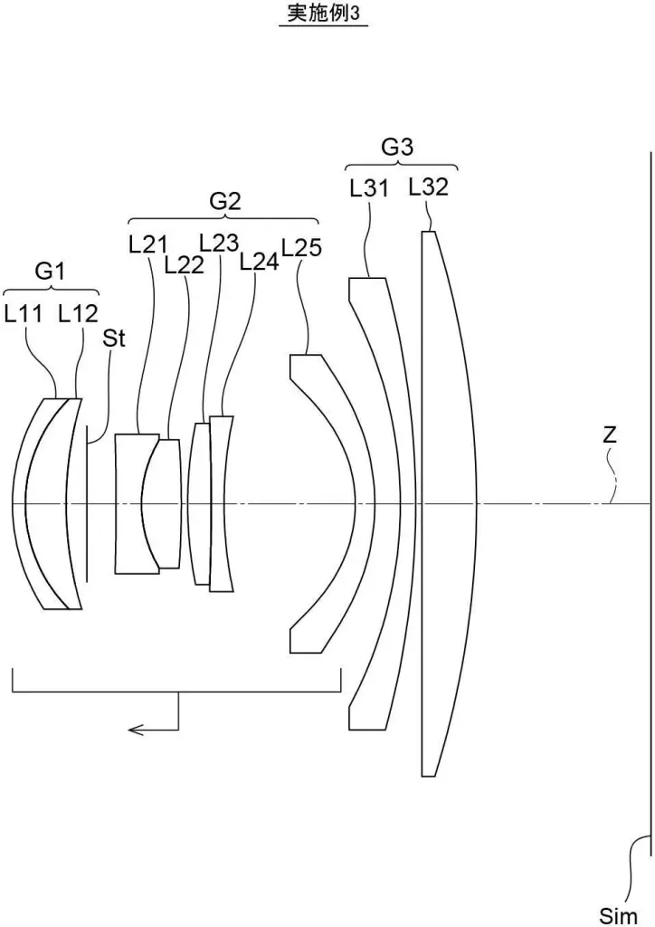
Example 2
- Focal length: 43.691
- F-number: 3.6
- Angle of view: 64.36
- Back focal length: 5.982
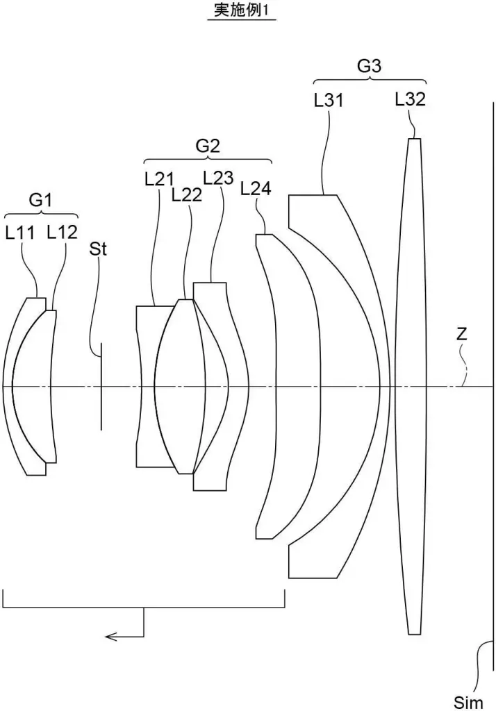
Example 3
- Focal length: 50.911
- F-number: 3.6
- Angle of view: 54.96
- Back focal length: 13.673
Example 4
- Focal length: 32.965
- F-number: 3.6
- Half angle of view: 78.44
- Back focal length: 7.073
via asobinet




